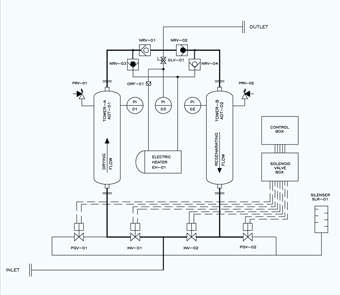
중대형 콤프레샤 압축 공기 제습에 적합하며, 제품에서 생산되는 건조 공기의 일부를 탱크 외부에 장착된 히터로 가열하여 흡착제를 재생시키는 방식입니다.

콤프레샤에서 압축 토출 된 공기는 흡착식 에어 드라이어 입구 밸브인 2-WAY 셔틀 밸브 (대형일 경우 3-Way 밸브)를 통해서 흡착제가 충진된 탱크를 통해 규정된 유속과 접촉 시간내에 통과하면서 요구하는 건조노점(-38℃~-95℃) 압축 공기를 공급하게 됩니다.
제습 및 재생 사이클의 시간은 8시간 진행되며 한쪽 흡착 탱크(A)가 제습 활동을 진행할 때 다른 흡착 탱크(B)에서는 출구 측 제습 공기 일부를 감압 밸브와 오리피스를 통해 감압하고 히터에서 가열 후 이전 사이클에서 흡착된 흡착제 내 수분을 제거하며 흡착제를 완전 재생 시킵니다 .
MAH-Series 히타 외장형 흡착식 에어 드라이어의 장점은 입구 유입 측 압축 공기 조건에 따라 재생 공기를 최대
한 절감할 수 있는 콘트롤 방식을 채택 하였습니다.
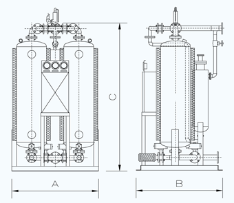
| Model | Capacity | Connection | Heater | Dimension | Desiccant | Weight | ||
|---|---|---|---|---|---|---|---|---|
| MAH-Series | Nm³/hr | mm | kw | A(mm) | B(mm) | C(mm) | kg/2Tower | kg |
| MAH-200 | 160 | 25A PT | 2.2 | 1300 | 1000 | 1780 | 95 | 340 |
| MAH-250 | 250 | 25A PT | 2.5 | 1300 | 1000 | 2100 | 120 | 390 |
| MAH-350 | 360 | 40A PT | 3.8 | 1400 | 1100 | 2100 | 170 | 500 |
| MAH-500 | 550 | 50A PT | 5.0 | 1500 | 1150 | 2320 | 240 | 690 |
| MAH-650 | 720 | 50A FLG | 6.6 | 1550 | 1250 | 2440 | 310 | 860 |
| MAH-800 | 840 | 50A FLG | 7.4 | 1750 | 1300 | 2420 | 380 | 1020 |
| MAH-1000 | 1100 | 65A FLG | 9.6 | 1900 | 1450 | 2560 | 490 | 1270 |
| MAH-1200 | 1320 | 65A FLG | 12.2 | 2000 | 1450 | 2550 | 580 | 1470 |
| MAH-2000 | 1700 | 80A FLG | 14 | 2100 | 1500 | 2400 | 730 | 1800 |
| MAH-2300 | 2160 | 80A FLG | 18 | 2100 | 1650 | 2760 | 940 | 2070 |
| MAH-2600 | 2320 | 80A FLG | 20 | 2400 | 1710 | 2700 | 1020 | 2270 |
| MAH-3000 | 2680 | 100A FLG | 28 | 2550 | 1780 | 2940 | 1220 | 2690 |
| MAH-3250 | 3050 | 100A FLG | 32 | 2640 | 1850 | 2950 | 1390 | 2960 |
| MAH-3500 | 3580 | 100A FLG | 36 | 2740 | 1880 | 2960 | 1560 | 3260 |
| MAH-4000 | 4020 | 100A FLG | 40 | 2850 | 1920 | 3080 | 1750 | 3570 |
| MAH-4500 | 4660 | 125A FLG | 45 | 3000 | 1980 | 3120 | 2030 | 4000 |
| MAH-5000 | 5100 | 150A FLG | 49 | 3200 | 2300 | 3150 | 2220 | 4470 |
| MAH-6000 | 5770 | 150A FLG | 55 | 3450 | 2400 | 3290 | 2510 | 5020 |
| MAH-7000 | 6460 | 150A FLG | 62 | 3600 | 2500 | 3330 | 2810 | 5620 |