압축 공기의 수분 제거 목적뿐만 아니라 유분과 냄새 제거기능이 추가되어 흡착제 내구성을 향상 시키며, 고 청정의 공기를 사용하는 곳에 적합한 제품입니다.

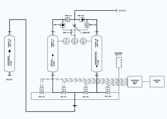
콤프레샤에서 압축 토출된 공기는 수분 제거를 위해 흡착 탱크로 들어가기 전에 S.O.MA Gel 이 충진된 탱크로 유
입이 되어 오일 및 냄새를 제거한 후 흡착식 에어 드라이어로 가압이 됩니다.
흡착식 에어 드라이어의 입구밸브인 3-way 셔틀 밸브(대형일경우 2-way사용)를 통해서 흡착제가 충진된 탱크를
통해 규정된 유속과 접촉 시간내에 통과하면서 요구하는 건조노점(-40℃~-75℃)의 압축공기를 공급하게 됩니다.
제습 및 재생 사이클은 보증 노점에 따라 2~5분간 진행되며 한쪽 흡착 탱크가 제습 활동을 진행할 때 다른 흡착
탱크에서는 출구 측 제습 공기 일부를 이용하여 감압 밸브와 오리피스를 통해 이전 사이클에서 흡착된 수분을 대기
중으로 방출 시켜 완전한 재생을 하게 됩니다.
MOD-Series 흡착식 에어 드라이어의 장점은 압축 공기의 불쾌한 냄새 및 유분을 제거해 주는 동시에 입구 공기
에 비해 10,000배 이상의 깨끗한 공기로 변화하기 때문에 약품, 의약, 전자, 반도체, 기계 등의 고 청정도 공기를
필요로 하는 곳에 적합 합니다.
| Model | Capacity | Connection | Dimension | Desiccant | S.O.MA | Weight | ||
|---|---|---|---|---|---|---|---|---|
| MOD-Series | Nm³/hr | mm | A(mm) | B(mm) | C(mm) | kg/2Tower | kg/Tower | kg |
| MOD-25 | 42 | 20A PT | 870 | 430 | 1100 | 14.7 | 4 | 105 |
| MOD-35 | 63 | 20A PT | 870 | 430 | 1400 | 21.8 | 5.9 | 125 |
| MOD-50 | 84 | 20A PT | 870 | 430 | 1700 | 28.9 | 7.8 | 150 |
| MOD-75 | 126 | 20A PT | 1020 | 500 | 1740 | 38.7 | 10.5 | 195 |
| MOD-100 | 168 | 25A PT | 1290 | 600 | 1510 | 52.9 | 14.3 | 310 |
| MOD-125 | 190 | 25A PT | 1290 | 600 | 1810 | 69.8 | 19 | 340 |
| MOD-150 | 250 | 25A PT | 1290 | 600 | 1960 | 78.3 | 21 | 360 |
| MOD-200 | 336 | 40A PT | 1500 | 650 | 1780 | 98 | 27 | 410 |
| MOD-250 | 426 | 40A PT | 1500 | 650 | 2100 | 120 | 32 | 490 |
| MOD-350 | 630 | 40A PT | 1770 | 780 | 2100 | 172 | 47 | 630 |
| MOD-500 | 840 | 50A PT | 1870 | 780 | 2320 | 244 | 66 | 880 |
| MOD-650 | 1050 | 50A FLG | 2320 | 950 | 2440 | 307 | 83 | 1090 |
| MOD-800 | 1260 | 65A FLG | 2470 | 950 | 2420 | 373 | 100 | 1300 |
| MOD-1000 | 1596 | 80A FLG | 2620 | 1020 | 2560 | 488 | 132 | 1580 |
| MOD-1200 | 1950 | 80A FLG | 2770 | 1020 | 2550 | 579 | 157 | 1840 |
| MOD-2000 | 2520 | 80A FLG | 2890 | 1020 | 2400 | 726 | 196 | 2140 |
| MOD-2300 | 3120 | 100A FLG | 3150 | 1400 | 2760 | 938 | 254 | 2590 |
| MOD-2600 | 3500 | 100A FLG | 3300 | 1400 | 2700 | 1020 | 276 | 2830 |
| MOD-3000 | 4000 | 125A FLG | 3650 | 1500 | 2940 | 1222 | 330 | 3290 |
| MOD-3250 | 4700 | 125A FLG | 3810 | 1500 | 2950 | 1391 | 376 | 3750 |
| MOD-3500 | 5300 | 125A FLG | 3960 | 1500 | 2960 | 1563 | 423 | 4200 |
| MOD-4000 | 5700 | 150A FLG | 4100 | 1500 | 3080 | 1756 | 475 | 4690 |
| MOD-4500 | 6800 | 150A FLG | 4330 | 1500 | 3120 | 2033 | 550 | 5320 |
| MOD-5000 | 7300 | 150A FLG | 4480 | 1500 | 3150 | 2223 | 600 | 5810 |
| MOD-6000 | 8000 | 200A FLG | 4800 | 1600 | 3290 | 2516 | 680 | 6510 |
| MOD-7000 | 9000 | 200A FLG | 4980 | 1600 | 3330 | 2810 | 760 | 7140 |